| Disponibilitate: | |
|---|---|
| Cantitate: | |

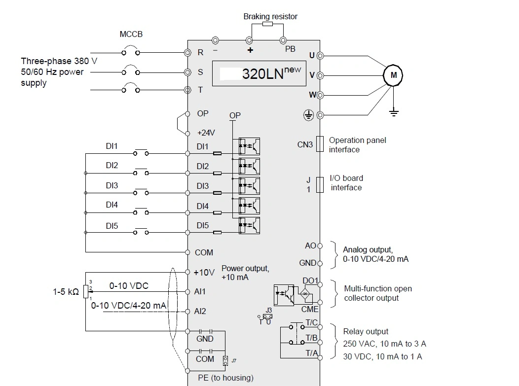
1. Acționați atât motorul asincron, cât și motorul sincron magnetic permanent (PMSM) și furnizați
interfețe multiple de codificator.
2. Sprijină auto-tuning motor (auto-tuning static și auto-tuning complet).
3. Suportă mai multe surse de viteză, setare multi-viteză și analogică.
4. Garantați un bun confort de călătorie cu liftul cu curbe de pornire flexibile, setare a curbei în S cu mai multe segmente și
patru grupuri de timp de accelerare/decelerare.
5. Sprijiniți evacuarea de urgență la pană de curent cu sursa de alimentare cu baterie de 48 V.
6. Furnizați diverse funcții legate de lift, inclusiv activarea detectării, controlul contactorului de frână, ieșirea
controlul contactorului, judecata de încetinire, protecția la supraviteză, detectarea abaterii vitezei, predeschiderea ușii,
detectarea contactului blocat, detectarea supraîncălzirii motorului și compensarea cuplului înainte de pornire.
7. Sprijină conectarea la panoul de operare extern prin interfața RJ45, făcând operațiunea
iar punerea în funcțiune mai simplă și mai ușoară.
8. Furnizați reactorul de curent continuu încorporat și unitatea de frânare, care îmbunătățește factorul de putere de ieșire și reduce
costurile dispozitivelor periferice.
9. Conductă de aer separată cu proces de acoperire conformă, platformă de producție profesională și avansată
procesul face o calitate bună a produsului.
10.Aveți un design de protecție împotriva trăsnetului și o puternică capacitate anti-interfață, în conformitate cu standardul EMC.
11.Suport industrie UPS și model UPS acasă

Specificații generale
Clasa de tensiune |
220VAC |
380 până la 480 AC |
|||||||||||
Modelul Drive |
SD320L 3,7 kW-2 |
SD320L 5,5 kW-2 |
SD320L 7,5 kW-2 |
SD320L 3,7 kW-4 |
SD320L 5,5 kW-4 |
SD320L 7,5 kW-4 |
SD320L 11KW-4 |
SD320L 15KW-4 |
|||||
Dimensiune |
Înălţime Lăţime Adâncime |
[Î]: 250 mm [W]:160mm [D]:183mm |
[Î]: 320 mm [W]:220mm [D]:183mm |
[Î]: 250 mm [W]:160mm [D]:183mm |
[Î]: 320 mm [W]:220mm [D]:183mm |
||||||||
Orificiu de montare |
Ф5 |
Ф6 |
Ф5 |
Ф6 |
|||||||||
Intrare Drive |
Tensiune nominală de intrare |
Trifazat 200Vac până la 240Vac, -15% până la +10% (170Vac până la 264Vac) |
Trifazat 380Vac până la 480Vac, -15% până la +10% (323Vac până la 528Vac) |
||||||||||
Curent nominal de intrare,[A] |
10.5 |
14.6 |
26 |
35 |
10.5 |
14.8 |
20.5 |
29 |
36 |
||||
Frecvența nominală de intrare |
50/60 Hz, ± 5% (47,5 până la 63 Hz) |
||||||||||||
Ieșire Drive |
Motor aplicabil |
[kW] |
2.2 |
3.7 |
5.5 |
7.5 |
3.7 |
5.5 |
7.5 |
11 |
15 |
||
[CP] |
3 |
5 |
7.5 |
10 |
5 |
7.5 |
10 |
15 |
20 |
||||
Curent de ieșire,[A]*1 |
9 |
13 |
25 |
32 |
9 |
13 |
18 |
27 |
33 |
||||
Capacitate de putere, [kVA] |
5.9 |
8.9 |
17 |
21 |
5.9 |
8.9 |
11 |
17 |
21 |
||||
Capacitate de suprasarcină |
150% pentru 60 de secunde și 180% pentru 3 secunde |
||||||||||||
Max. tensiune de ieșire |
Trifazat 200Vac până la 240Vac (Proporțional cu tensiunea de intrare) |
Trifazat 380Vac până la 480Vac (Proporțional cu tensiunea de intrare) |
|||||||||||
Max. frecventa de iesire |
100 Hz |
||||||||||||
Frânare Rezistor |
Recomandat putere,[W] |
500 |
750 |
1200 |
1500 |
750 |
1200 |
1500 |
2500 |
3000 |
|||
Recomandat Rezistență,[Ω] |
≥65 |
≥45 |
≥22 |
≥16 |
≥130 |
≥90 |
≥65 |
≥43 |
≥32 |
||||
Incinta |
IP 21 |
||||||||||||
Produsul IFIND INVERTER adoptă tehnologia de control vectorial fără senzori de viteză și tehnologia de control al cuplului sincronizate cu tehnologia actuală de vârf la nivel internațional, care nu numai că are aceleași performanțe excelente de control ca și invertorul internațional de ultimă generație, dar combină și caracteristicile de aplicare ale Chinei pentru a consolida și mai mult fiabilitatea și adaptabilitatea la mediu a produsului, precum și designul personalizării și industriei. Poate satisface mai bine nevoile diverselor aplicații de transmisie.